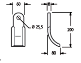
Y-kés VIG 03

Kovácsolt acél szárzúzókés

pageup