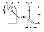
Y-kés TAA 10

Kovácsolt acél szárzúzókés

pageup