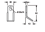
Y-kés S.M. 01

Kovácsolt acél szárzúzókés

pageup