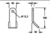
Y-kés PAL 06

Kovácsolt acél szárzúzókés

pageup