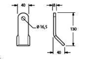
Y-kés NOB 16

Kovácsolt acél szárzúzókés

pageup