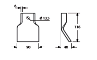
Y-kés JFO 02

Kovácsolt acél szárzúzókés

pageup