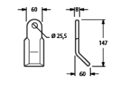
Y-kés FEI 04

Kovácsolt acél szárzúzókés

pageup