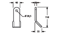
Y-kés AGM 03

Kovácsolt acél szárzúzókés

pageup