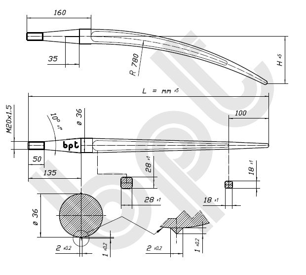
tüske 51600 L=600

Kovácsolt acél 
 
51600
 
Hossz (mm): 600
 
Átmérő (mm) : 36
 
Illesztés: kúpos, M20 menettel, kúpos anyával
pageup